壓力范圍:PN10-PN160 CLASS150Lb~1500Lb
公稱通徑:DN 50~DN3000 NPS2"~120"
主體材料:碳鋼、不銹鋼、雙相不銹鋼、合金鋼、鎳合金鋼
連接形式:對夾式
工作溫度:-29℃~350℃
操作方式: 氣動裝置
產品結構特征
三偏心蝶閥是將正錐角旋轉一個角度改為斜錐角,這樣閥桿與閥體中心偏心減小,開啟力矩也隨之減小。廣泛用于冶金 、電力、石油化工、以及給排水和市政建設等工業管道上,作調節流量和載斷流體使用。
其主要結構特點有
1、蝶板與密封面啟閉無摩擦,強制密封;
2、可以任意位置安裝;
3、零泄漏結構設計;
4、可選擇金屬與非金屬,金屬與金屬密封方式;
5、有單向閥門和雙向閥門供客戶選擇;
6、可選擇動負載式填料;
7、可選擇低泄露填料滿足ISO 15848要求;
8、閥桿可加長設計;
9、可以按客戶要求設計低溫閥門或超低溫閥門。
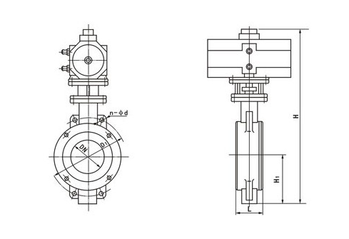
主要連接尺寸
|
公稱通徑(DN) |
主要尺寸 | 法蘭尺寸和螺栓規格 | |||||||
| 1.0MPa | 1.6MPa | 2.5MPa | |||||||
| L | H | H1 | D1 | 4-ФM | D1 | 4-ФM | D1 | 4-ФM | |
| 50 | 43 | 350 | 112 | 125 | Ф18 | 125 | Ф18 | 125 | Ф18 |
| 65 | 46 | 370 | 115 | 145 | Ф18 | 145 | Ф18 | 145 | Ф18 |
| 80 | 49 | 380 | 120 | 160 | Ф18 | 160 | Ф18 | 160 | Ф18 |
| 100 | 56 | 420 | 138 | 180 | Ф18 | 180 | Ф18 | 190 | Ф23 |
| 125 | 64 | 460 | 164 | 210 | Ф18 | 210 | Ф18 | 220 | Ф27 |
| 150 | 70 | 555 | 175 | 240 | Ф23 | 240 | Ф23 | 250 | Ф27 |
| 200 | 71 | 605 | 208 | 295 | M20 | 295 | M20 | 310 | M24 |
| 250 | 76 | 680 | 243 | 350 | M20 | 355 | M24 | 370 | M27 |
| 300 | 83 | 800 | 283 | 400 | M20 | 410 | M24 | 430 | M27 |
| 350 | 92 | 835 | 310 | 460 | M20 | 470 | M24 | 490 | M30 |
| 400 | 102 | 915 | 340 | 515 | M24 | 525 | M27 | 550 | M33 |
| 450 | 114 | 960 | 380 | 565 | M24 | 585 | M27 | 600 | M33 |
| 500 | 127 | 1020 | 410 | 620 | M24 | 650 | M30 | 660 | M33 |
| 600 | 154 | 1225 | 470 | 725 | M27 | 770 | M33 | 770 | M36 |
| 700 | 165 | 1355 | 550 | 840 | M27 | 840 | M33 | 875 | M39 |
| 800 | 190 | 1470 | 640 | 950 | M30 | 950 | M36 | 990 | M45 |
| 900 | 203 | 1545 | 710 | 1050 | M30 | 1050 | M36 | 1090 | M45 |
| 1000 | 216 | 1795 | 770 | 1160 | M33 | 1170 | M39 | 1210 | M52 |
| 1200 | 254 | 1965 | 890 | 1380 | M36 | 1390 | M45 | 1420 | M52 |